Special bricks, industrial environment, handmade


 

Specialfasadtegel

Akustiktegel

Vårt akustiktegel tillverkas av röd- och gulbränd lera och finns både som enkelpettring (228x54x54) och som dubbelpettring (228x108x54).  Använd akustiktegel i utrymmen inomhus som behöver regleras akustiskt eller som ett robust dekorativt element i murverket.

Akustiktegel

Enkel pettring

Varunummer: -
Typ: Specialtegel
Storlek: 228 x 54 x 54 mm
Format: Finns i flera format

Akustiktegel

dubbel pettring

Varunummer: -
Typ: Specialtegel
Storlek: 228 x 108 x 54 mm
Format: Finns i flera format


 

Formtegel

Vårt formtegel, både handslaget och slaget, finns i många olika format och kan tillverkas med de flesta tegelfärger. Formtegel hjälper till att förverkliga lösningar som skiljer sig från mängden. Kontakta någon av våra konsulter för att få inspiration och vägledning.

Hörnavslutning

Dubbel avrundning

Varynummer: A10
Typ: Specialtegel
Storlek: 228 x 108 x 54 mm
Format: Finns i flera format

Detaljmått:
Längd (A): 228 mm
Bredd (B): 108 mm
Höjd (C): 54 mm
Radie (R): 60 mm

Hörnavslutning

Enkel avrundning

Varunummer: A11
Typ: Specialsten
Storlek: 228 x 108 x 54 mm
Format: Finns i flera format

Detaljmått:
Längd (A): 228 mm
Bredd (B): 108 mm
Höjd (C): 54 mm
Radie (R): 60 mm


__________________________________________________________
 


__________________________________________________________
 

Hörnavslutning

Enkel avrundning

Varunummer: A12
Typ: Specialtegel
Storlek: 228 x 108 x 54 mm
Format: Finns i flera format

Detaljmått:
Längd (A): 228 mm
Bredd (B): 108 mm
Höjd (C): 54 mm
Radie (R): 108 mm

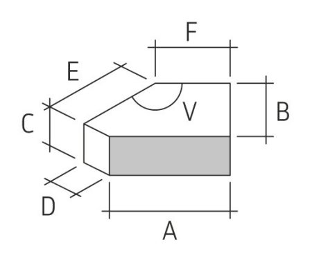
Utåtgående hörn med trubbig vinkel

Trubbig vinkel 135°, utåtgående hörntegel

Varunummer: A13
Typ: Specialtegel
Storlek: 168 x 108 x 54 mm
Format: Finns i flera format

Detaljmått:
Längd (A): 168 mm
Bredd (B): 108 mm
Höjd (C): 54 mm
Längd (D): 48 mm
Längd (E): 105 mm (cirka)
Längd (F): 128 mm
Vinkel (V): 135°


__________________________________________________________
 


__________________________________________________________
 

A14 Avfasat tegel

Varunummer: A14
Typ: Specialtegel
Storlek: 228 x 108 x 54 mm
Format: Finns i flera format

Detaljmått:
Längd (A): 168 mm
Bredd (B): 108 mm
Höjd (C): 54 mm
Längd (D): 48 mm
Längd (E): 85

A15 Hörntegel, spetsig vinkel

Varunummer: A15
Typ: Specialtegel
Storlek: 228 x 108 x 54 mm
Format: Finns i flera format

Detaljmått:
Längd (A): 228 mm
Bredd (B): 108 mm
Höjd (C): 54 mm
Längd (D): 120 mm
Längd (E): 152 mm
Vinkel (V): 135°


__________________________________________________________
 


__________________________________________________________
 

A19 Fönsterbänkstegel, skål

Varunummer: A19
Typ: Specialtegel
Storlek: 228 x 108 x 54 mm
Format: Finns i flera format

Detaljmått:
Längd (A): 228 mm
Bredd (B): 108 mm
Höjd (C): 54 mm
Framkant (D): 27 mm
Bakkant (E): 50 mm

Brick - A19 sålbænksten - kop

A26 Fönsterbänkstegel, löpare

Varunummer: A26
Typ: Specialtegel
Storlek: 228 x 168 x 54 mm
Format: Finns i flera format

Detaljmått:
Längd (A): 228 mm
Bredd (B): 168 mm
Höjd (C): 54 mm
Framkant (D): 27 mm
Bakkant (E): 50 mm


__________________________________________________________
 


__________________________________________________________
 

A20 Fönsterbänkstegel, avrundat

Varunummer: A20
Typ: Specialtegel
Storlek: 228 x 108 x 54 mm
Format: Finns i flera format

Detaljmått:
Längd (A): 228 mm
Bredd (B): 108 mm
Höjd (C): 54 mm
Radie (R): 55 mm

A21 Knopptegel

Varunummer: A21
Typ: Specialtegel
Storlek: 228 x 108 x 54 mm
Format: Finns i flera format

Detaljmått:
Längd (L): 228 mm
Bredd (B): 108 mm
Höjd (H): 54 mm
Längd (A): 171 mm
Längd (C): 98mm
Längd (D): 40 mm


__________________________________________________________
 


__________________________________________________________
 

A23 Pelartegel, tvådelat

Varunummer: A23
Typ: Specialtegel
Storlek: 228 x 108 x 54 mm
Format: Finns i flera format

Detaljmått:
Längd (A): 228 mm
Bredd (B): 108 mm
Höjd (H): 54 mm
Radie (R): 108 mm
Urtagning: 32 x 75 mm


 

Ventilationstegel

Ventilationsteglet från Wienerberger kan tillverkas så att det matchar allt vårt övriga fasadtegel. Ventilationsteglet tillverkas med danskt normalformat (228x108x54) och har en hålareal på 40 cm2. Muras in i fasaden, t.ex. för ventilation av plana tak.

EW4601 Ventilationstegel

Varunummer: EW4601
Typ: Specialtegel
Storlek: 228 x 108 x 54 mm
Format: Danskt Normalformat
Hålområde: 40 cm2

Detaljmått:
Längd (A): 228 mm
Bredd (B): 108 mm
Höjd (H): 54 mm
Urtagning: 32 x 75 mm

Specialsten


 

Fönsterfalstegel

Fönsterfalstegel, med 4 hål för invändigt bruk. Falstegel gör det enklare att mura dörr- och fönsterfalsar samtidigt som man slipper att anpassa mursten med normalformat. Falstegel från Wienerberger tillverkas i två format: 250x108x54 och 270x108x54 mm.

EW5611 Fönsterfalstegel

Varunummer: EW5611
Typ: Specialtegel
Storlek: 250/270 x 108 x 54 mm

Specialsten


 

Beställ vår 3-i-1 till arkitekten

Inspiration, kollektion och ritningsdel i en och samma bok. Inspireras till murverk med mönster med en mängd färger, uttryck och nyanser av fasadtegel.

Beställ 3-i-1 till arkitekten


 

Senaste artiklarna

0Resultat


 

Visualisering

Generera textur/BIM här

Downloads

Välj och download här.

Produkter

En värld av tegelprodukter inom fasadtegel, skärmtegel, taktegel och marktegel.